Führungen für Kette 1710C TAB

Delivery Time: auf Anfrage
Jetzt Anfragen Category:
Spezifikationen

Kurven für Multiflex-Ketten

Kurven für Multiflex-TAB-Ketten – Typ H

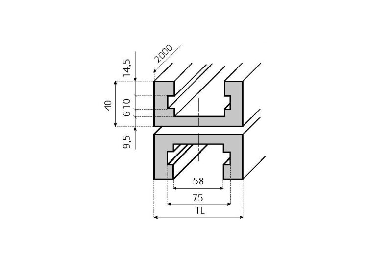
KURVENFÜHRUNG

KettentypenPlatte breiteTLRArtikelbezeichnung
1710CTAB-K37595110250VT1710CT375R250T1D
1710CTAB-K750190200500VT1710CT750R500T1D

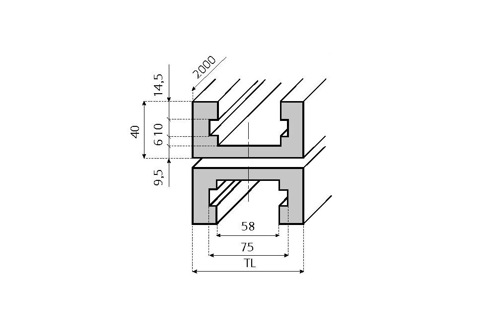
GERADE SCHIENE
Abschnitte mit Schienen für Transport/Rücklauf

Lieferumfang: 1 Teil

KettentypenPlatte breiteTLArtikelbezeichnung
1710CTAB-K37595110VT1710CT375L2000T1
1710CTAB-K750190200VT1710CT750L2000T1