Führungen für Kette 882 _ K450-750-1200

Delivery Time: auf Anfrage
Jetzt Anfragen Category:
Spezifikationen

Kettentypen 882K450-750-1200

Kurvenschienen

ReferenzTL
Breite TL mm
R 610R 650R 800R 1000
K450130VT882B450R610T1DVT882B450R650T1DVT882B450R800T1DVT882B450R1000T1D
K750200VT882B750R610T1DVT882B750R650T1DVT882B750R800T1DVT882B750R1000T1D
K1000270VT882B1000R610T1DVT882B1000R650T1DVT882B1000R800T1DVT882B1000R1000T1D

Gerade Schienen

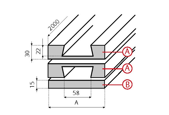
A Abschnitte mit geraden Schienen für Transport/Rücklauf

Referenz
K450
K750
K1000

Lieferumfang: 1 Teil

B Schienenabschnitte für Rücklauf

Referenz
K450
K750
K1000