SPA 1-rillig

zzgl. Versand
Lieferzeit: auf Anfrage
Jetzt Anfragen Kategorie:
Spezifikationen

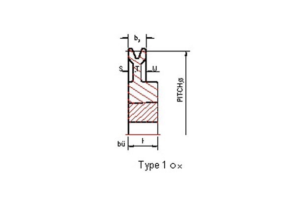
b2 = 20 mm

Nabenscheibe / Full hub pulley

Wirk.
Ø
pitch diameter dw
Max. Bohrung bore
Ø
Nabe
hub
Ø
Nabenlänge
length of hub
L
TypeSTUGewicht
weight
kg
502035355 •---0.4
562035355 •---0.4
632541355 •---0.5
712541355 •---0.7
752541355 •---0.9
803555355 •---0.9
853555355 •---1
903555355 •---1.1
953555355 •---1.2
1003555355 •---1.3
1063555351 O6.576.51.3
1123555351 O6.576.51.4
1183555351 O6.576.51.4
1253555351 O6.576.51.5
1323555351 O6.576.51.6
1403555351 O6.576.51.8
1503555401 O6.576.52
1603860401 O6.576.52.3
1703860401 O6.576.52.5
1804065401 O6.576.52.8
1904065401 O6.576.53
2004065401 O6.576.52.9
2124065401 O6.576.53.2
2244065401 O5.595.53.5
2364065501 O5.595.54.5
2504575501 O5.595.55.2
2804575501 O5.595.55.8
3004575451 x51056.4
3155080501 x51056.9
3555080501 x51058
4005590501 x51058.5
45060100501 x510513.7
50060100501 x510516.6

• = Vollscheibe / solid pulley
O = Bodenscheibe (mit oder ohne Spiegel ) / plate pulley (with or without holes)
x = Armscheibe / arm pulley