SPC 5-rillig

zzgl. Versand
Lieferzeit: auf Anfrage
Jetzt Anfragen Kategorie:
Spezifikationen

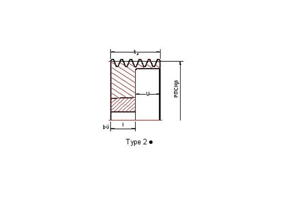
b2 = 136 mm

Taper Scheibe / Taper pulley

Wirk.
Ø
pitch diameter dw
Buchse
bush
Nabe
hub Länge
length l
Nabe
hub Länge
L
TypeSTUGewicht
weight
kg
200353589rü164 .16-3114.7
212353589rü164 .16-3115
2243535892 .--4717.2
2363535892 .--4720.2
2503535892 .--4723.5
2653535892 .--4725.5
2803535892 O58205827.2
3003535892 O58205828.5
3153535892 O60166029.5
3353535892 x60166031
3553535892 x59185933.5
3753535892 x59185936
4003535892 x59185937
4253535892 x59185943
45040401022 x59185946
47540401022 x59185950.3
50040401022 x59185954
53045451142 x58205857.5
56045451142 x57225761
63050501272 x56245675
71050501272 x56245679
80050501272 x55265696.5
100050501272 x533053139
125050501272 x533053200

Bohrungszuordnungen der Taper Spannbuchsen siehe Lagerprogramm.
For the allocation of the taper bush bore vide stock survey.

• Vollscheibe / solid pulley
O Bodenscheibe (mit oder ohne Spiegel) / plate pulley (with or without holes)
x Armscheibe / arm pulley