Kunststoffe
Unser Lieferprogramm umfasst ein breites Sortiment an Halbzeugen und Fertigteilen aus:
- Polyethylen (PE-UHMW)
- Polyamiden
- und vielen weiteren technischen Kunststoffen
Wir liefern wartungsfreie Spannsysteme für Ketten und Riemen. Jede Lebensdauer eines Kettenbetriebes kann durch den Einsatz eines selbst nachstellenden Kettenspanners verlängert werden.
In unserem Sortiment finden Sie die praktischen Universalspanner, die dann mit einem Kettenrad- bzw. Rollensatz kombiniert werden können.
> Universalspanner Typ TE
> Kettenradsatz Typ KS (Simplex, Douplex od. Triplex)
> Rollensatz Typ RE
Typ TE + Typ KS = Universal-Kettenspanner
Typ TE + Typ RE = Universal-Riemenspanner
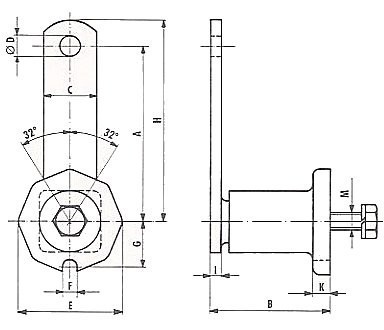
Die Universalspanner Typ TE finden Einsatz in allen Industriebreichen, hauptsächlich werden sie in Verbindung mit dem Kettenradsatz Typ KS oder dem Rollensatz Typ RE als Ketten- bzw. Riemenspanner verwendet.
Die Universalspanner sind wartungsfrei und abreisssicher.

Sämtliche Maße entnehmen Sie bitte der PDF-Datei!

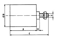
Dieser Rollensatz besteht aus einer Rolle (Material PA 6), zwei hochwertigen Kugellagern und aus einer verzinkten Schraube, Muttern und Distanzhülsen.

Sämtliche Maße entnehmen Sie bitte der PDF-Datei!