Kunststoffe
Unser Lieferprogramm umfasst ein breites Sortiment an Halbzeugen und Fertigteilen aus:
- Polyethylen (PE-UHMW)
- Polyamiden
- und vielen weiteren technischen Kunststoffen
Unser Lieferprogramm umfasst ein breites Sortiment an Halbzeugen und Fertigteilen aus:
Unsere Schneckenflügel- bzw. Gewinde eignen sich für den Einsatz in den unterschiedlichsten Bereichen, zum Fördern, Dosieren, Mischen, Bohren oder zum Zerkleinern. Einsatzgebiete der Förderschnecken für: Landmaschinenindustrie, Bauindustrie, chemische Industrie, Lebensmittelindustrie, Ziegelwerke, Schlossereien und viele mehr!
Wir liefern hochwertige Förderbänder aus Gummi, aus Kunststoff (z.B. Modulbänder) sowie Draht (z.B. Drahtgewebebänder) in verschiedenen Größen, Stärken und Formen bzw. Materialien.
Moderne Elevatortechnik muss heute hohen Qualitätskriterien genügen, wenn große Mengen wirtschaftlich, schnell und sicher gefördert werden müssen. Unsere Produkte für Elevatoren erfüllen diese Ansprüche. Hohe Leistungsfähigkeit (bis zu 600 Tonnen pro Stunde) bei gleichzeitig kompakten Baugrößen.
In unserem Sortiment finden Sie hochwertige Rundstahl- bzw. Rundgliederketten aus verschiedenen Qualitäten für Ihre individuellen Anforderungen bzw. Einsatzgebieten. Außerdem liefern wir auch das komplette Zubehör für Ihre Ketten wie z.B. Kettenräder und Führungsleisten.
In unserem Sortiment finden Sie Scharnierbandketten, Kurvenführungen, Anlagenkomponenten und Modulbänder aus versch. Materialien der Firma Systemplast und Rexnord.
Unsere Produktpalette umfasst ein großes Sortiment an Drahtgeweben, und Gittern in verschiedenen Materialen, Qualitäten und Typen.
Wir liefern hochwertige Faltenbälge aus verschiedenen Materialien, die für unteschiedlichste Einsätze geeignet sind. Ebenfalls zu unserem Lieferprogramm gehören Gleitbahnschutz in jeder Form und Größe, Sonderformen von Stulpen, Manschetten, Formteile, Weich-Kompensatoren und Metallkompensatoren zum Ausgleich von Bewegungen.
Kurven für Multiflex-TAB-Ketten – Typ P
| Kettentypen | Platte breite | TL | R | Artikelbezeichnung |
|---|---|---|---|---|
| 1713CTAB-K750 | 191 | 200 | 550 | VT1713CT750R550T1D |
| 1713CTAB-K1000 | 254 | 270 | 550 | VT1713CT1000R550T1D |
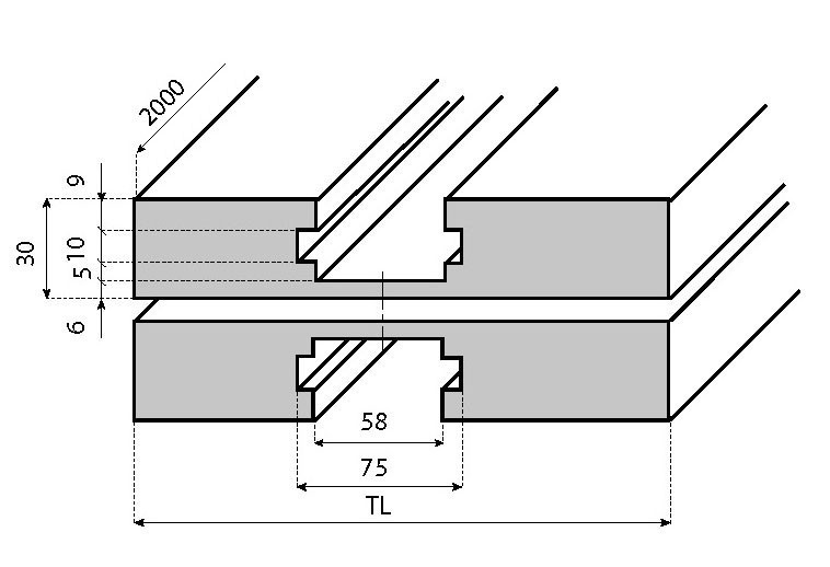
Abschnitte mit Schienen für Transport/Rücklauf – 1 Teil
| Kettentypen | Platte breite | TL | Artikelbezeichnung |
|---|---|---|---|
| 1713CTAB-K750 | 191 | 200 | VT1713CT750L2000T1 |
| 1713CTAB-K1000 | 254 | 270 | VT1713CT1000L2000T1 |
