Führungen für Ketten 879 – 880 – 881 – 881O _ K325-350-450-750

zzgl. Versand
Lieferzeit: auf Anfrage
Jetzt Anfragen Kategorie:
Spezifikationen

Curves and straight tracks for BEVEL chains

Chain types 879/880/881/881O – K325-350-450-750
Kurvenschienen

ReferenzSchienenTL
Breite mm
R 500R 610
880-K3251100VT880B325R500T1DVT880B325R610T1D
880-K4501130-VT880B450R610T1D
880-K7501200-VT880B750R610T1D

Im Lieferumfang enthalten: vollständiger Satz –Transport und Rücklauf

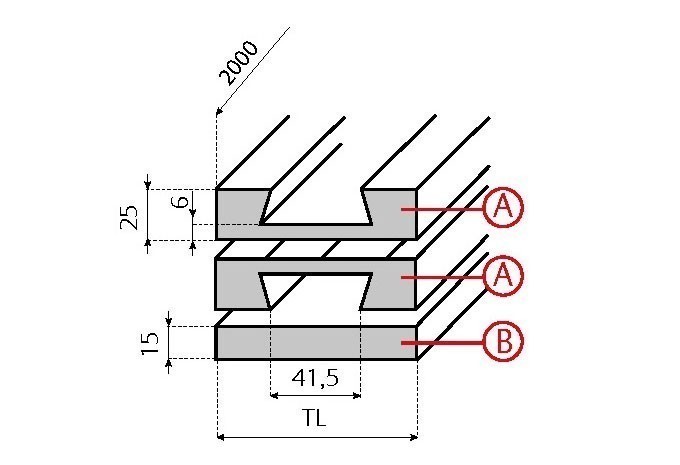
Gerade Schienen

A Abschnitte mit geraden Schienen für Transport/Rücklauf

ReferenzTLArtikelbezeichnung
K325100VT880B325L2000T1
K450130VT880B450L2000T1
K750200VT880B750L2000T1

Lieferumfang: 1 Teil

B Schienenabschnitte für Rücklauf

ReferenzTLArtikelbezeichnung
K325100VTR880B325L2000T1
K450130Für diese Stützplatten besuchen Sie:
(Typen VTR882B450 und 750)
K750200

Lieferumfang: 1 Teil