Kunststoffe
Unser Lieferprogramm umfasst ein breites Sortiment an Halbzeugen und Fertigteilen aus:
- Polyethylen (PE-UHMW)
- Polyamiden
- und vielen weiteren technischen Kunststoffen
Kettentypen 877/878/879/880/8810-TAB K325-330-450-750
Modulketten typen 2250/2251 TAB K330
Curve tracks
| Referenz | Teilung | Schienen | TL | R 500 | R 610 | R 650 | R 800 |
| Artikelbezeichnung | |||||||
| 880TAB-K325 880TAB-K330 2250 TAB K330 2251 TAB K330 | 85 | 1 | 100 | VT880T325R500T1D | VT880T325R610T1D | VT880T325R650T1D | VT880T325R800T1D |
| 880TAB-K325 880TAB-K330 2250 TAB K330 2251 TAB K330 | 85 | 2 | 185 | VT880T325R500T2D | - | - | - |
| 880TAB-K325 880TAB-K330 2250 TAB K330 2251 TAB K330 | 85 | 3 | 270 | VT880T325R500T3D | - | - | - |
| 880TAB-K325 880TAB-K330 2250 TAB K330 2251 TAB K330 | 85 | 4 | 355 | VT880T325R500T4D | - | - | - |
| 880TAB-K450 | 120 | 1 | 130 | - | VT880T450R610T1D | VT880T450R650T1D | VT880T450R800T1D |
| 880TAB-K450 | 120 | 2 | 250 | - | VT880T450R610T2D | - | - |
| 880TAB-K750 | 195 | 1 | 200 | - | VT880T750R610T1D | - | VT880T750R800T1D |
Im Lieferumfang enthalten: vollständiger Satz –Transport und Rücklauf
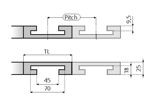
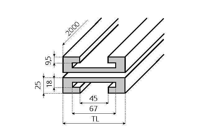
Gerade Schienen
Abschnitte mit geraden Schienen für Transport/Rücklauf
| Referenz | TL | Artikelbezeichnung |
|---|---|---|
| 880T-K325 | 100 | VT880T325L2000T1 |
| 880T-K450 | 130 | VT880T450L2000T1 |
| 880T-K750 | 200 | VT880T750L2000T1 |
Lieferumfang: 1 Teil