Spannelement Serie 1300.2

zzgl. Versand
Lieferzeit: auf Anfrage
Jetzt Anfragen Kategorie:
Spezifikationen


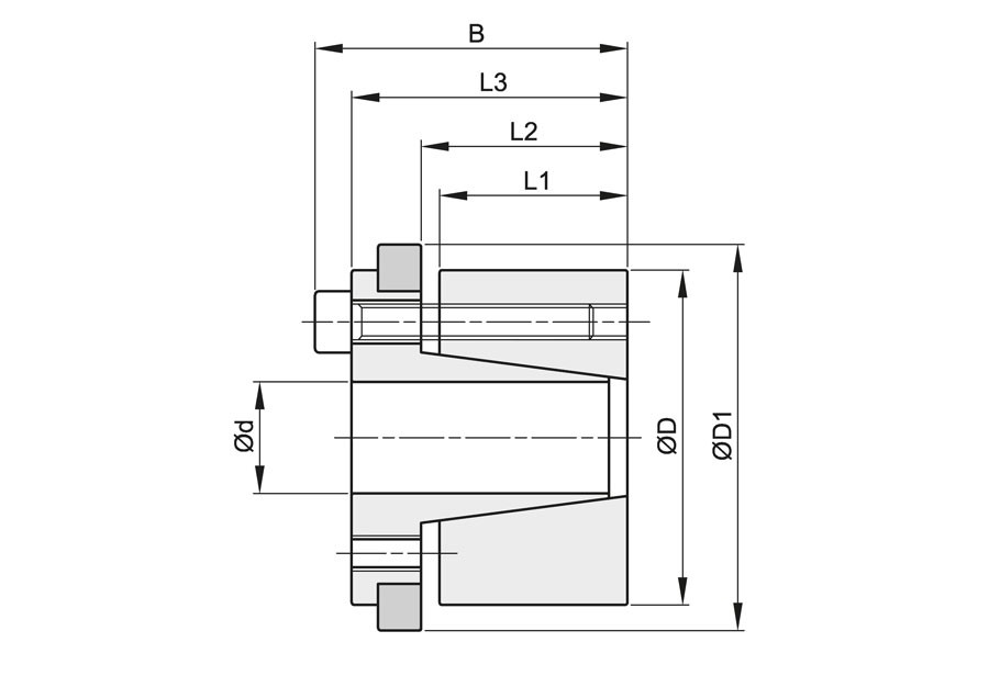
d x D
mm
L1
mm
L2
mm
L3
mm
D1
mm
B
mm
Drehmoment
Nm
Axialkraft KNOberflächendruck
Welle
N/mm 2
Oberflächendruck
Nabe
N/mm 2
Schrauben DIN 912
Typ
Schrauben DIN 912
Anzugsmoment
Nm
Kg.
19 x 47263139455320221127514M6x20170.45
20 x 47263139455321321121514M6x20170.46
22 x 47263139455323421110514M6x20170.5
24 x 50263139455638432151736M6x20170.5
25 x 50263139455640032145736M6x20170.5
28 x 55263139456144832129666M6x20170.6
30 x 55263139456148032121666M6x20170.6
32 x 60263139456668343151818M6x20170.7
35 x 60263139456674743138818M6x20170.6
38 x 65263139457181143127748M6x20170.8
40 x 65263139457185343121748M6x20170.6
42 x 753036475581121658135766M8x30411.2
45 x 753036475581130258126766M8x30411.1
48 x 803036475586138958119716M8x30411.3
50 x 803036475586144758114716M8x30411.1
55 x 853036475591212477138898M8x30411.2
60 x 903036475596231777127848M8x30411.3
65 x 9530364755101251077117808M8x30411.4
70 x 110404657671164381125132848M10x35832.5
75 x 115404662721214694125123808M10x35832.6
80 x 120404662721265007125115778M10x35832.8
85 x 1254046627213166511561369210M10x35832.8
90 x 1304046627213670421561288910M10x35833
95 x 1354046627214174331561218510M10x35833
100 x 145465277891519104182117818M12x451455.5
110 x 1554652778916110015182106758M12x451454.8
120 x 16546527789171136532281228810M12x451455.5
130 x 18046527789186177472731359712M12x451456
140 x 1905159849819617328248102758M14x452307.5
150 x 20051598498206232073091198910M14x452307.7
160 x 21051598498216247543091128510M14x452308
170 x 22551598498231315613711269512M14x452309.8
180 x 23551598498241334173711199112M14x452309.8