Kunststoffe
Unser Lieferprogramm umfasst ein breites Sortiment an Halbzeugen und Fertigteilen aus:
- Polyethylen (PE-UHMW)
- Polyamiden
- und vielen weiteren technischen Kunststoffen
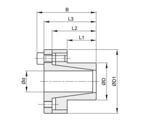
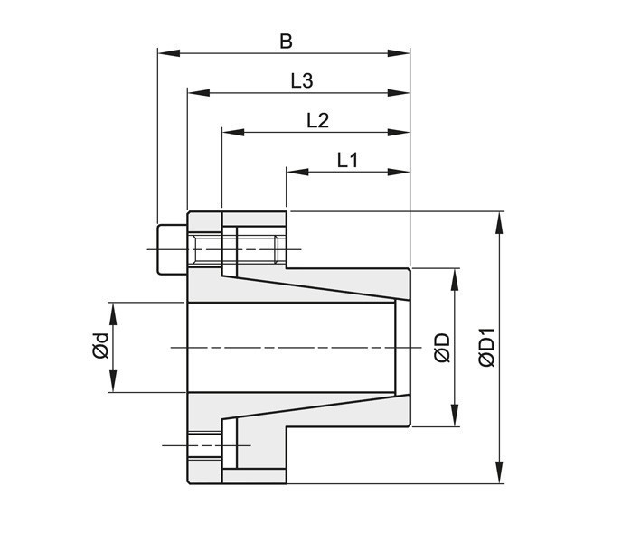
unbegrenzte Einsatzmöglichkeiten, geringes Drehmoment
Alle weiteren Daten entnehmen Sie bitte unserem Prospekt!
| d x D mm | L1 mm | L2 mm | L3 mm | D1 mm | D2 mm | B mm | Drehmoment Nm | Axialkraft KN | Oberflächendruck Welle N/mm 2 | Oberflächendruck Nabe N/mm 2 | N° | Schrauben DIN 912 Typ | Schrauben DIN 912 Anzugsmoment Nm | Kg. |
|---|---|---|---|---|---|---|---|---|---|---|---|---|---|---|
| 9 x 16 | 14 | 23 | 27 | 31 | 28 | 32 | 44 | 10 | 227 | 128 | 4 | M4x12 | 5.2 | 0.16 |
| 10 x 16 | 14 | 23 | 27 | 31 | 28 | 32 | 49 | 10 | 205 | 128 | 4 | M4x12 | 5.2 | 0.17 |
| 11 x 18 | 14 | 23 | 27 | 31 | 30 | 34 | 53 | 10 | 186 | 114 | 4 | M4x12 | 5.2 | 0.17 |
| 12 x 18 | 14 | 23 | 27 | 31 | 30 | 34 | 58 | 10 | 171 | 114 | 4 | M4x12 | 5.2 | 0.18 |
| 14 x 23 | 14 | 23 | 27 | 31 | 35 | 39 | 68 | 10 | 146 | 89 | 4 | M4x12 | 5.2 | 0.2 |
| 15 x 24 | 16 | 29 | 36 | 42 | 40 | 45 | 120 | 16 | 196 | 123 | 3 | M6x18 | 17 | 0.21 |
| 16 x 24 | 16 | 29 | 36 | 42 | 40 | 45 | 128 | 16 | 184 | 123 | 3 | M6x18 | 17 | 0.23 |
| 18 x 26 | 18 | 31 | 38 | 44 | 42 | 47 | 191 | 21 | 194 | 134 | 4 | M6x18 | 17 | 0.27 |
| 19 x 27 | 18 | 31 | 38 | 44 | 43 | 48 | 202 | 21 | 183 | 129 | 4 | M6x18 | 17 | 0.29 |
| 20 x 28 | 18 | 31 | 38 | 44 | 44 | 49 | 213 | 21 | 174 | 124 | 4 | M6x18 | 17 | 0.3 |
| 22 x 32 | 25 | 38 | 45 | 51 | 48 | 54 | 234 | 21 | 114 | 78 | 4 | M6x18 | 17 | 0.38 |
| 24 x 34 | 25 | 38 | 45 | 51 | 50 | 56 | 255 | 21 | 105 | 74 | 4 | M6x18 | 17 | 0.41 |
| 25 x 34 | 25 | 38 | 45 | 51 | 50 | 56 | 266 | 21 | 100 | 74 | 4 | M6x18 | 17 | 0.45 |
| 28 x 39 | 25 | 38 | 45 | 51 | 55 | 61 | 373 | 27 | 112 | 81 | 5 | M6x18 | 17 | 0.47 |
| 30 x 41 | 25 | 38 | 45 | 51 | 57 | 63 | 480 | 32 | 126 | 92 | 6 | M6x18 | 17 | 0.48 |
| 32 x 43 | 30 | 43 | 50 | 56 | 59 | 65 | 511 | 32 | 98 | 73 | 6 | M6x18 | 17 | 0.51 |
| 35 x 47 | 30 | 43 | 50 | 56 | 63 | 69 | 747 | 43 | 120 | 89 | 8 | M6x18 | 17 | 0.63 |
| 38 x 50 | 30 | 43 | 50 | 56 | 66 | 72 | 811 | 43 | 110 | 84 | 8 | M6x18 | 17 | 0.67 |
| 40 x 53 | 32 | 45 | 52 | 58 | 69 | 75 | 959 | 48 | 110 | 83 | 9 | M6x18 | 17 | 0.73 |
| 42 x 55 | 32 | 45 | 52 | 58 | 71 | 77 | 1007 | 48 | 105 | 80 | 9 | M6x18 | 17 | 0.78 |
| 45 x 59 | 40 | 56 | 64 | 72 | 79 | 85 | 1781 | 79 | 130 | 99 | 8 | M8x22 | 42 | 1.23 |
| 48 x 62 | 40 | 56 | 64 | 72 | 82 | 88 | 1900 | 79 | 122 | 94 | 8 | M8x22 | 42 | 1.24 |
| 50 x 65 | 50 | 66 | 74 | 82 | 85 | 92 | 2473 | 99 | 117 | 90 | 10 | M8x22 | 42 | 1.4 |
| 55 x 71 | 50 | 66 | 74 | 82 | 91 | 98 | 2721 | 99 | 106 | 82 | 10 | M8x22 | 42 | 1.7 |
| 60 x 77 | 50 | 66 | 74 | 82 | 97 | 104 | 2968 | 99 | 97 | 76 | 10 | M8x22 | 42 | 1.76 |
| 65 x 84 | 50 | 66 | 74 | 82 | 104 | 111 | 3215 | 99 | 90 | 69 | 10 | M8x22 | 42 | 2.21 |
| 70 x 90 | 60 | 80 | 91 | 101 | 115 | 122 | 4430 | 127 | 89 | 69 | 8 | M10x25 | 84 | 3.05 |
| 75 x 95 | 60 | 80 | 91 | 101 | 119 | 126 | 5338 | 142 | 93 | 74 | 9 | M10x25 | 84 | 3.32 |
| 80 x 100 | 65 | 85 | 96 | 106 | 124 | 131 | 7595 | 190 | 108 | 86 | 12 | M10x25 | 84 | 3.5 |
| 85 x 106 | 65 | 85 | 96 | 106 | 130 | 137 | 8069 | 190 | 101 | 81 | 12 | M10x25 | 84 | 3.6 |
| 90 x 112 | 65 | 85 | 96 | 106 | 136 | 143 | 9968 | 222 | 112 | 90 | 14 | M10x25 | 84 | 3.9 |
| 95 x 120 | 65 | 85 | 96 | 106 | 144 | 153 | 10522 | 222 | 106 | 84 | 14 | M10x25 | 84 | 4.4 |
| 100 x 125 | 65 | 89 | 102 | 114 | 153 | 162 | 13651 | 273 | 124 | 99 | 12 | M12x30 | 145 | 4.6 |
| 110 x 140 | 70 | 94 | 107 | 119 | 168 | 177 | 15016 | 273 | 105 | 82 | 12 | M12x30 | 145 | 8.7 |
| 120 x 155 | 90 | 114 | 127 | 139 | 185 | 195 | 21844 | 364 | 99 | 77 | 16 | M12x30 | 145 | 10.7 |
| 130 x 165 | 90 | 114 | 127 | 139 | 195 | 205 | 23664 | 364 | 92 | 72 | 16 | M12x30 | 145 | 11.3 |
| 140 x 175 | 90 | 114 | 127 | 139 | 205 | 215 | 25485 | 364 | 85 | 68 | 16 | M12x30 | 145 | 11.9 |
| 150 x 185 | 90 | 114 | 127 | 139 | 215 | 225 | 27305 | 364 | 80 | 64 | 16 | M12x30 | 145 | 12.5 |