Kunststoffe
Unser Lieferprogramm umfasst ein breites Sortiment an Halbzeugen und Fertigteilen aus:
- Polyethylen (PE-UHMW)
- Polyamiden
- und vielen weiteren technischen Kunststoffen
A: 60
B: 40
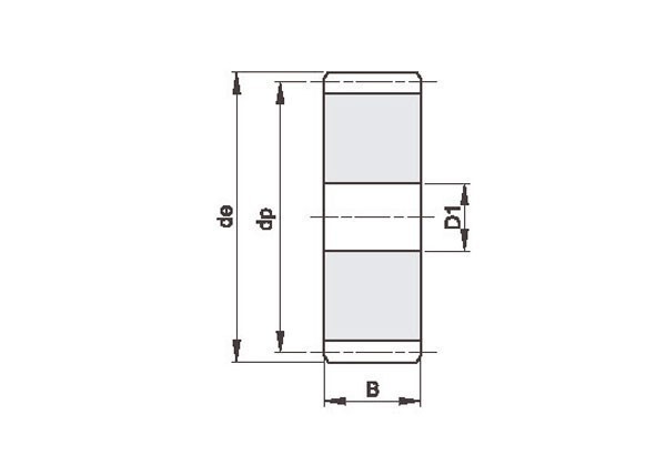
Material C45
| Z | de | dp | dm | D1 | Kg. |
|---|---|---|---|---|---|
| 12 | 56 | 48 | 35 | 14 | 0.63 |
| 13 | 60 | 52 | 40 | 14 | 0.78 |
| 14 | 64 | 56 | 45 | 14 | 0.93 |
| 15 | 68 | 60 | 45 | 14 | 1.05 |
| 16 | 72 | 64 | 50 | 16 | 1.2 |
| 17 | 76 | 68 | 50 | 16 | 1.33 |
| 18 | 80 | 72 | 50 | 16 | 1.47 |
| 19 | 84 | 76 | 60 | 16 | 1.75 |
| 20 | 88 | 80 | 60 | 16 | 1.9 |
| 21 | 92 | 84 | 70 | 16 | 2.22 |
| 22 | 96 | 88 | 70 | 16 | 2.39 |
| 23 | 100 | 92 | 75 | 20 | 2.6 |
| 24 | 104 | 96 | 75 | 20 | 2.79 |
| 25 | 108 | 100 | 75 | 20 | 2.98 |
| 26 | 112 | 104 | 75 | 20 | 3.18 |
| 27 | 116 | 108 | 75 | 20 | 3.39 |
| 28 | 120 | 112 | 75 | 20 | 3.6 |
| 29 | 124 | 116 | 75 | 20 | 3.83 |
| 30 | 128 | 120 | 75 | 20 | 4.06 |
| 31 | 132 | 124 | 80 | 20 | 4.39 |
| 32 | 136 | 128 | 80 | 20 | 4.64 |
| 33 | 140 | 132 | 80 | 20 | 4.9 |
| 34 | 144 | 136 | 80 | 20 | 5.16 |
| 35 | 148 | 140 | 80 | 20 | 5.43 |
| 36 | 152 | 144 | 80 | 25 | 5.63 |
| 38 | 160 | 152 | 25 | 5.2 | |
| 40 | 168 | 160 | 25 | 6.11 | |
| 45 | 188 | 180 | 25 | 7.78 | |
| 48 | 200 | 192 | 25 | 8.87 | |
| 50 | 208 | 200 | 25 | 9.65 | |
| 52 | 216 | 208 | 25 | 10.45 | |
| 55 | 228 | 220 | 25 | 11.71 | |
| 57 | 236 | 228 | 25 | 12.59 | |
| 60 | 248 | 240 | 25 | 13.97 | |
| 65 | 268 | 260 | 25 | 16.43 | |
| 70 | 288 | 280 | 25 | 19.09 | |
| 75 | 308 | 300 | 25 | 21.94 | |
| 76 | 312 | 304 | 30 | 22.47 | |
| 80 | 328 | 320 | 30 | 24.93 | |
| 85 | 348 | 340 | 30 | 28.18 | |
| 90 | 368 | 360 | 30 | 31.62 | |
| 95 | 388 | 380 | 30 | 35.26 | |
| 100 | 408 | 400 | 30 | 39.11 | |
| 110 | 448 | 440 | 30 | 47.38 | |
| 114 | 464 | 456 | 30 | 50.91 |