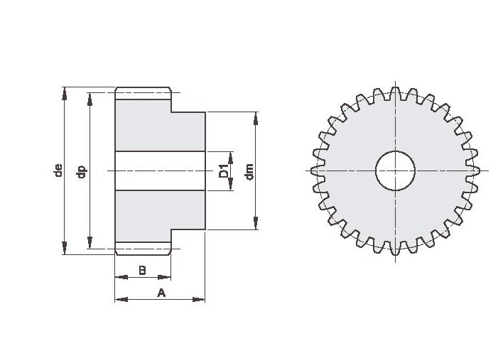
Zahnrad Modul 5

zzgl. Versand
Lieferzeit: auf Anfrage

Eingriffswinkel 20°

Jetzt Anfragen Kategorie:
Spezifikationen

A: 75
B: 50

Material C45

ZdedpdmD1Kg.
12706045201.21
13756550201.47
14807055201.76
15857560202.07
16908065202.4
17958570202.75
181009070203.02
191059570203.3
2011010080203.83
2111510580204.15
2212011080204.48
2312511590205.08
2413012090205.44
2513512590205.82
26140130100206.5
27145135100206.91
28150140100257.22
29155145110257.98
30160150110258.44
32170160257.62
35185175259.16
382001902510.84
402102002512.04
452352252515.3
482502402517.44
502602503018.69
522702603020.43
552852753022.89
572952853024.62
603103003027.31
653353253032.12
703603503037.31
753853753042.88
763903803044.04
804104003048.84
854354253055.19
904604503061.92
954854753069.03
1005105003076.53
1105605503092.69
1145805703099.59