Kunststoffe
Unser Lieferprogramm umfasst ein breites Sortiment an Halbzeugen und Fertigteilen aus:
- Polyethylen (PE-UHMW)
- Polyamiden
- und vielen weiteren technischen Kunststoffen
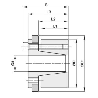
hohe Drehmomente, ausgezeichnete Selbstzentrierung, für Wellen ab Durchmesser von 25 – 300 mm
Alle weiteren Daten entnehmen Sie bitte unserem Prospekt!
| d x D mm | L1 mm | L2 mm | B mm | Drehmoment Nm | Axialkraft KN | Oberflächendruck Welle N/mm 2 | Oberflächendruck Nabe N/mm 2 | N° | Schrauben DIN 912 Typ | Schrauben DIN 912 Anzugsmoment Nm | Kg. |
|---|---|---|---|---|---|---|---|---|---|---|---|
| 25 x 55 | 32 | 40 | 46 | 799 | 64 | 314 | 107 | 6 | M6x35 | 17 | 0.5 |
| 28 x 55 | 32 | 40 | 46 | 895 | 64 | 281 | 107 | 6 | M6x35 | 17 | 0.6 |
| 30 x 55 | 32 | 40 | 46 | 959 | 64 | 262 | 107 | 6 | M6x35 | 17 | 0.6 |
| 35 x 60 | 44 | 54 | 60 | 1306 | 75 | 185 | 83 | 7 | M6x45 | 17 | 0.7 |
| 38 x 75 | 44 | 54 | 62 | 2567 | 135 | 308 | 121 | 7 | M8x50 | 41 | 0.7 |
| 40 x 75 | 44 | 54 | 62 | 2702 | 135 | 293 | 121 | 7 | M8x50 | 41 | 0.7 |
| 42 x 75 | 44 | 54 | 62 | 2837 | 135 | 279 | 121 | 7 | M8x50 | 41 | 1 |
| 45 x 75 | 44 | 54 | 62 | 3040 | 135 | 260 | 121 | 7 | M8x50 | 41 | 0.9 |
| 48 x 80 | 56 | 64 | 62 | 3707 | 154 | 216 | 102 | 8 | M8x55 | 41 | 1.4 |
| 50 x 80 | 56 | 64 | 72 | 3861 | 154 | 207 | 102 | 8 | M8x55 | 41 | 1.3 |
| 55 x 85 | 56 | 64 | 72 | 4779 | 174 | 212 | 108 | 9 | M8x55 | 41 | 1.5 |
| 60 x 90 | 56 | 64 | 72 | 5793 | 193 | 216 | 113 | 10 | M8x55 | 41 | 1.6 |
| 65 x 95 | 56 | 64 | 72 | 6276 | 193 | 199 | 107 | 10 | M8x55 | 41 | 1.8 |
| 70 x 110 | 70 | 78 | 88 | 10951 | 313 | 235 | 120 | 10 | M10x60 | 83 | 3 |
| 75 x 115 | 70 | 78 | 88 | 11733 | 313 | 220 | 115 | 10 | M10x60 | 83 | 3.3 |
| 80 x 120 | 70 | 78 | 88 | 13768 | 344 | 227 | 121 | 11 | M10x60 | 83 | 3.5 |
| 85 x 125 | 70 | 78 | 88 | 15959 | 376 | 233 | 127 | 12 | M10x60 | 83 | 3.7 |
| 90 x 130 | 70 | 78 | 88 | 16898 | 376 | 220 | 122 | 12 | M10x60 | 83 | 3.8 |
| 95 x 135 | 70 | 78 | 88 | 17837 | 376 | 208 | 117 | 12 | M10x60 | 83 | 5 |
| 100 x 145 | 90 | 100 | 112 | 25029 | 501 | 211 | 113 | 11 | M12x80 | 145 | 6 |
| 110 x 155 | 90 | 100 | 112 | 30039 | 546 | 209 | 115 | 12 | M12x80 | 145 | 6.2 |
| 120 x 165 | 90 | 100 | 112 | 38226 | 637 | 224 | 127 | 14 | M12x80 | 145 | 7.2 |
| 130 x 180 | 104 | 116 | 130 | 48270 | 743 | 201 | 117 | 12 | M14x90 | 230 | 10 |
| 140 x 190 | 104 | 116 | 130 | 60654 | 866 | 217 | 129 | 14 | M14x90 | 230 | 10.2 |
| 150 x 200 | 104 | 116 | 130 | 69628 | 928 | 217 | 132 | 15 | M14x90 | 230 | 10.8 |
| 160 x 210 | 104 | 116 | 130 | 79220 | 990 | 217 | 134 | 16 | M14x90 | 230 | 11.5 |
| 170 x 225 | 134 | 148 | 164 | 100851 | 1186 | 206 | 116 | 14 | M16x110 | 360 | 17 |
| 180 x 235 | 134 | 148 | 164 | 114414 | 1271 | 208 | 119 | 15 | M16x110 | 360 | 18.5 |
| 190 x 250 | 134 | 148 | 164 | 128814 | 1356 | 210 | 119 | 16 | M16x110 | 360 | 21.5 |
| 200 x 260 | 134 | 148 | 164 | 135594 | 1356 | 200 | 115 | 16 | M16x110 | 360 | 22 |
| 220 x 285 | 134 | 148 | 164 | 167805 | 1526 | 204 | 118 | 18 | M16x110 | 360 | 25 |